联系我们
解决方案
风电场箱变监控系统
光伏发电厂区监控系统
联系我们
南京创瑞达电力技术有限公司
邮箱:sw@createstar.com.cn
网址:www.createstar.com.cn
 
 
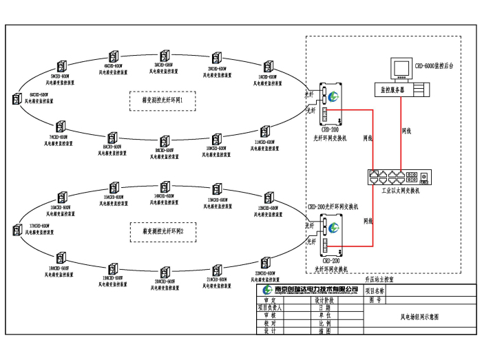
风电场箱变监控系统 首页 > 风电场箱变监控系统  
 
   风力发电机组有设备分散、运行环境严酷的特点,对装置稳定运行特别是通信可靠性,有更加严格的要求,其中的箱式升压变压器(以下简称箱变)作为电能转换和传输的重要电气设备,接入电站监控系统实现自动化运行与维护已成为新的发展方向。
    南京创瑞达电力技术有限公司结合上述要求,开发了CRD-6000箱变监控系统、CRD-200光纤环网交换机、CRD-600W风电箱变监控装置,为风力发电机组提供了完整的保护、测控和通讯功能,无缝接入电站的综合自动化系统,实现对箱变系统的远程监控与维护,大大提高运行维护的自动化水平,保证设备的稳定高效运行。

 
网站首页关于创瑞达新闻资讯产品中心解决方案服务支持人力资源友情链接   
版权所有:南京创瑞达电力技术有限公司 苏ICP备13014321号-1