丨
联系我们
首 页
关于创瑞达
新闻资讯
产品中心
解决方案
服务支持
人力资源
解决方案
风电场箱变监控系统
光伏发电厂区监控系统
联系我们
南京创瑞达电力技术有限公司
邮箱:sw@createstar.com.cn
网址:www.createstar.com.cn
光伏发电厂区监控系统
首页
>
光伏发电厂区监控系统
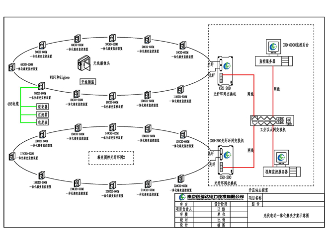
CRD-600A-M新能源发电智能监控单元具备箱变的保护、测控和通讯功能,通过RS485接入现场的汇流箱、逆变器等智能设备,通过光纤环网,实现与电站监控系统的通信。
典型应用如下:
网站首页
丨
关于创瑞达
丨
新闻资讯
丨
产品中心
丨
解决方案
丨
服务支持
丨
人力资源
丨
友情链接
国家电网公司
北京四方继保自动化股份有限公司
南瑞继保
许继集团有限公司
电力系统自动化
南瑞集团公司
国家电力投资集团
中国华电集团
中国南方电网
中国华能集团
中国大唐集团
版权所有:南京创瑞达电力技术有限公司 苏ICP备13014321号-1